کلید لغزشی مهر و موم شده SMT
SS-4-M1
کلیدهای لغزشی زیرمینیاتور مهر و موم شده SS30 (SS)
این سوئیچ اسلاید با عامل افقی و پایان دهی سطحی عرضه می شود. در برابر فرآیندهای لحیم کاری و تمیز کردن محافظت شده است. عامل قوی برای فعال سازی آسان. این سوئیچ برای تجهیزات ارتباطی و اندازه گیری، لوازم جانبی کامپیوتر و محصولات شبکه، تلفن مناسب است.
ویژگیها
- سازگار با فرآیند - واشر داخلی و مهر و موم پایه اپوکسی
- مدار: SPDT
- عملکرد: روشن-روشن، روشن-خاموش-روشن
مشخصات
- رتبه تماس: حداکثر 0.4 VA @20V AC یا DC حداکثر.
- چرخه عمر: 40,000 چرخه اتصال و قطع در بار کامل
- مقاومت تماس: حداکثر 50 میلیاهم در حالت اولیه @2-4 ولت DC، 100 میلیآمپر
- مقاومت عایقی: حداقل 1,000 MΩ
- استحکام دی الکتریک: 500 ولت RMS در سطح دریا.
- دمای کاری: -۳۰ درجه سانتیگراد تا ۸۵ درجه سانتیگراد
مواد
- جعبه: نایلون 6/6
- عملگر: نایلون 6/6
- قاب: نایلون 6/6
- ترمینال: آلیاژ مس، روکش طلا
- تماس: برنز فسفر، روکش طلا
- پشتیبانی سوئیچ: آلیاژ مس، روکش قلع
- دکمه کشویی: POM
- پوشش ضد آب: سیلیکون

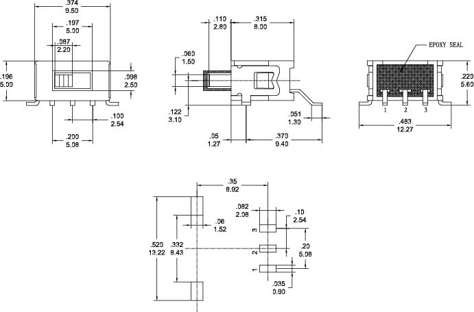
نقشههای محصول

کاربرد
- تجهیزات آزمون و اندازه گیری
- محصولات جانبی کامپیوتر و شبکه
- یوتیوب
- محصولات مرتبط
کلید لغزشی مهر و موم شده SPDT
SS-4-C
این سوئیچ اسلاید دارای یک پل و اتصالات PC از طریق سوراخ...
جزئیاتکلید لغزشی مهر و موم شده با زاویه راست SPDT
SS-4-H
این سوئیچ اسلاید دارای عملکرد افقی و زاویه دار با اتصالات...
جزئیات- دانلود فایلها
چگونه میتوانید از آلودگی لحیم در کلیدهای اندازهگیری با دقت بالا جلوگیری کنید؟
سوئیچ کشویی مهر و موم شده SS-4-M ما دارای فناوری مهر و موم داخلی با O-ring و پایه اپوکسی است که در برابر آلودگی ناشی از فلکس لحیم و فرآیند تمیز کردن محافظت میکند. با مقاومت تماس 50 میلیاهم و مقاومت عایق 1,000 مگااهم، دقت اندازهگیری را در طول 40,000 چرخه تضمین میکند. با تیم مهندسی ما تماس بگیرید تا مشخصات دقیق و نمونههایی متناسب با نیازهای ابزار دقیق شما دریافت کنید.
این محصول با استفاده از مواد با کیفیت بالا از جمله بدنه نایلون 6/6، ترمینالهای آلیاژ مس با روکش طلا و پوشش ضد آب سیلیکونی ساخته شده است و دارای درجه حفاظت IP67 میباشد. این سوئیچ کشویی مهر و موم شده که به طور قابل اعتمادی در دماهای بین -30 درجه سانتیگراد تا 85 درجه سانتیگراد کار میکند، دارای مقاومت عایق استثنایی حداقل 1,000MΩ و استحکام دی الکتریک 500V RMS میباشد. مطابق با RoHS و دارای گواهی بدون سرب، SS-4-M نمایانگر بیش از 30 سال تجربه تولید سوئیچ Salecom است که کیفیت و عملکرد رقابتی را برای برندهای پیشرو جهانی در زیرساختهای مخابراتی و کاربردهای اندازهگیری دقیق ارائه میدهد.







